Drop In Fuel Pump Upgrade Hyundai Genesis Forum

Drop In Fuel Pump Upgrade Hyundai Genesis Forum

Fuel Pump Issue Hyundai Genesis Forum

Fuel Pump Issue Hyundai Genesis Forum

Hyundai Fuel Gauge Readings Wrong Or Erratic Ricks Free Auto

Hyundai Fuel Gauge Readings Wrong Or Erratic Ricks Free Auto

Hyundai Fuel Gauge Readings Wrong Or Erratic Ricks Free Auto

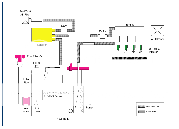
Ams Explores The Gen Coupe Fuel System 2 0t Genesis Forums

Ams Explores The Gen Coupe Fuel System 2 0t Genesis Forums

Fuel Pump Issue Hyundai Genesis Forum

Fuel Pump Issue Hyundai Genesis Forum

Ams Explores The Gen Coupe Fuel System 2 0t Genesis Forums

Ams Explores The Gen Coupe Fuel System 2 0t Genesis Forums

A C Problem Turning On Off In A New Car Hyundai Genesis Forum

A C Problem Turning On Off In A New Car Hyundai Genesis Forum

Beyond Redline Presents Exceladyne Twin In Tank Fuel Pump Kit

Beyond Redline Presents Exceladyne Twin In Tank Fuel Pump Kit

Deatschwerks 320lph Drop In Fuel Pump For 2010 Genesis Coupe 9

Deatschwerks 320lph Drop In Fuel Pump For 2010 Genesis Coupe 9

How To Troubleshoot Ford F 150 Fuel Pump Problems Best Cars Guide

How To Troubleshoot Ford F 150 Fuel Pump Problems Best Cars Guide

How To Install Fuel Pump Assembly E9073m In A 2011 2014 Hyundai

How To Install Fuel Pump Assembly E9073m In A 2011 2014 Hyundai

Refuel Shuts Off Too Early Genesis Forums

Refuel Shuts Off Too Early Genesis Forums

Fuel Pump Issue Hyundai Genesis Forum

Fuel Pump Issue Hyundai Genesis Forum

The Hack Fuel Pump Upgrade I Didn T Want To Make Youtube

The Hack Fuel Pump Upgrade I Didn T Want To Make Youtube

Genuine Oem Fuel Pumps For Hyundai Genesis Coupe For Sale Ebay

Genuine Oem Fuel Pumps For Hyundai Genesis Coupe For Sale Ebay

Diy Dw301 Install Into Gc2 0t Assembly Hyundai Genesis Forum

Diy Dw301 Install Into Gc2 0t Assembly Hyundai Genesis Forum

2010 Hyundai Genesis Coupe Replacement Fuel System Parts Carid Com

2010 Hyundai Genesis Coupe Replacement Fuel System Parts Carid Com

2016 Hyundai Genesis Coupe Reviews Ratings Prices Consumer Reports

2016 Hyundai Genesis Coupe Reviews Ratings Prices Consumer Reports

2011 Hyundai Genesis Coupe Performance Fuel System Parts Carid Com

2011 Hyundai Genesis Coupe Performance Fuel System Parts Carid Com

Fuel Pumps For 2010 Hyundai Genesis Coupe For Sale Ebay

Fuel Pumps For 2010 Hyundai Genesis Coupe For Sale Ebay

Fuel Pump Level Sensor Testing And Replacement Youtube

Fuel Pump Level Sensor Testing And Replacement Youtube

Fuel Pump Issue Hyundai Genesis Forum

Fuel Pump Issue Hyundai Genesis Forum

Hyundai Genesis Coupe Fuel Pump

Hyundai Genesis Coupe Fuel Pump

2010 Hyundai Genesis Reliability Consumer Reports

2010 Hyundai Genesis Reliability Consumer Reports

Mercedes Benz W203 Fuel Pump Replacement 2001 2007 C230 C280

Mercedes Benz W203 Fuel Pump Replacement 2001 2007 C230 C280

Symptoms Of A Bad Or Failing Fuel Pump Relay Autoblog

Symptoms Of A Bad Or Failing Fuel Pump Relay Autoblog

Mercedes Benz W203 Fuel Pump Replacement 2001 2007 C230 C280

Mercedes Benz W203 Fuel Pump Replacement 2001 2007 C230 C280

Oem High Pressure Fuel Pump For Hyundai Genesis Genesis Coupe 09 16

Oem High Pressure Fuel Pump For Hyundai Genesis Genesis Coupe 09 16

2011 Hyundai Genesis Coupe 3 8 R Spec Review 2011 Hyundai Genesis

2011 Hyundai Genesis Coupe 3 8 R Spec Review 2011 Hyundai Genesis

Ford And Lincoln Recall F 150s Expeditions And Navigators For Poor

Ford And Lincoln Recall F 150s Expeditions And Navigators For Poor

Source : pinterest.com